18678117114
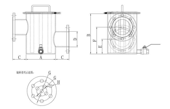
管道式粉料除铁器产品说明及示意方式
一、适应范围:
管道式浆料除铁器(浆料除铁器)主要用于清除液体及浆料中的铁磁性杂质,广泛适用于陶瓷、电力、矿业、塑料、化工、橡胶、制药、食品、环保、颜料、染料、电子,冶金等行业。
二、工作原理:
管道式浆料除铁器(浆料除铁器)是将采用由优质无缝不锈钢管和高B值稀土合金钕铁硼,并采用特殊的制作方法制作而成的磁棒(磁棒),安装在由优质无缝不锈钢管构成的通体中,使用法兰将其安装在生产线输送管道中或出料口处,当含铁的液体或浆料通过时,受到磁力棒的吸引,将含铁的物质牢固的吸附在管壁上以保证设备的完好和产品的安全。

三、产品特点:
本品采用稀土合金钕铁硼作为磁源,使用寿命长,无能耗、无污染、结构简单、使用方便、磁系全格栅式排列,使得强磁区域得以充分利用.多层设汁,层层过滤,除铁更彻底,效果更显著。规格样式可按照客户使用要求及现场情况任意更改定制。
四、管道式除铁器规格及交付说明:
管道式除铁器的规格比较多.具体尺寸可按客户买际情况设制造。

* 更多参数可致电18678117114了解
* 产量视料浓度压力而定
* 产品参数因更新升级可能会造成偏差,请以实物为准